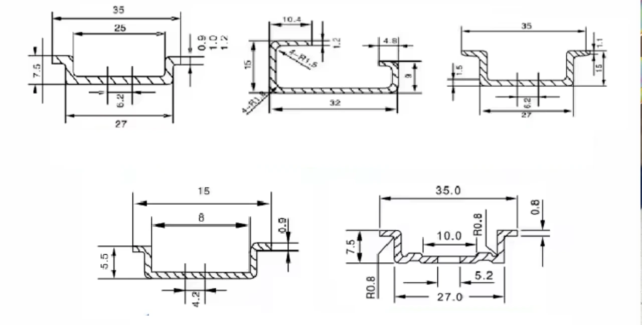
Electrical DIN rails are essential components in modern control cabinets, electrical panels, and telecommunication systems. You use them to mount and organize terminal blocks, circuit breakers, relays, sensors, and automation modules in a clean, reliable way.
Their standardized design ensures compatibility with a wide range of industrial devices, making installation faster and maintenance easier. Whether you’re building power distribution systems or designing complex automation equipment, DIN rails help you achieve safer wiring, better heat dissipation, and long-term stability.
Their durability and flexibility also make them suitable for harsh industrial environments, supporting consistent performance and smooth daily operation.







